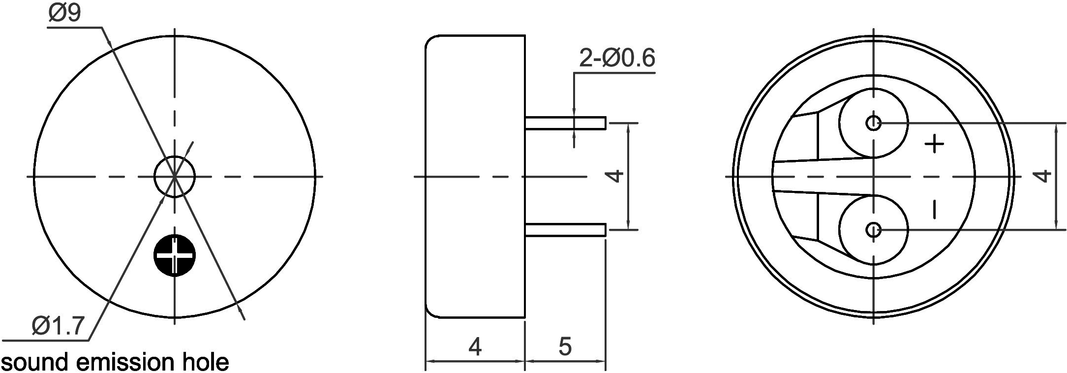
Magnetic Transducer (AC)



| Part No. | Diameter Φ (mm) | Height (mm) | Operating Voltage (VAC) | Rated Voltage (VAC) | Max Rated Current (mA) | Coil Resistance (Ω) | Min Sound Output (dBA) | Resonant Frequency (Hz) | Operating Tempature (°C) | Terminal | Housing | Weight (g) |
|---|---|---|---|---|---|---|---|---|---|---|---|---|
| CMT0904C2400NP | 9 | 4 | 2 ~ 5 | 3 | 40 | 32 ± 4 | 82 @ 10cm | 2400 | -20 ~ +60 | Pin | Noryl | 0.6 |
Please contact us for the datasheet of this product.







