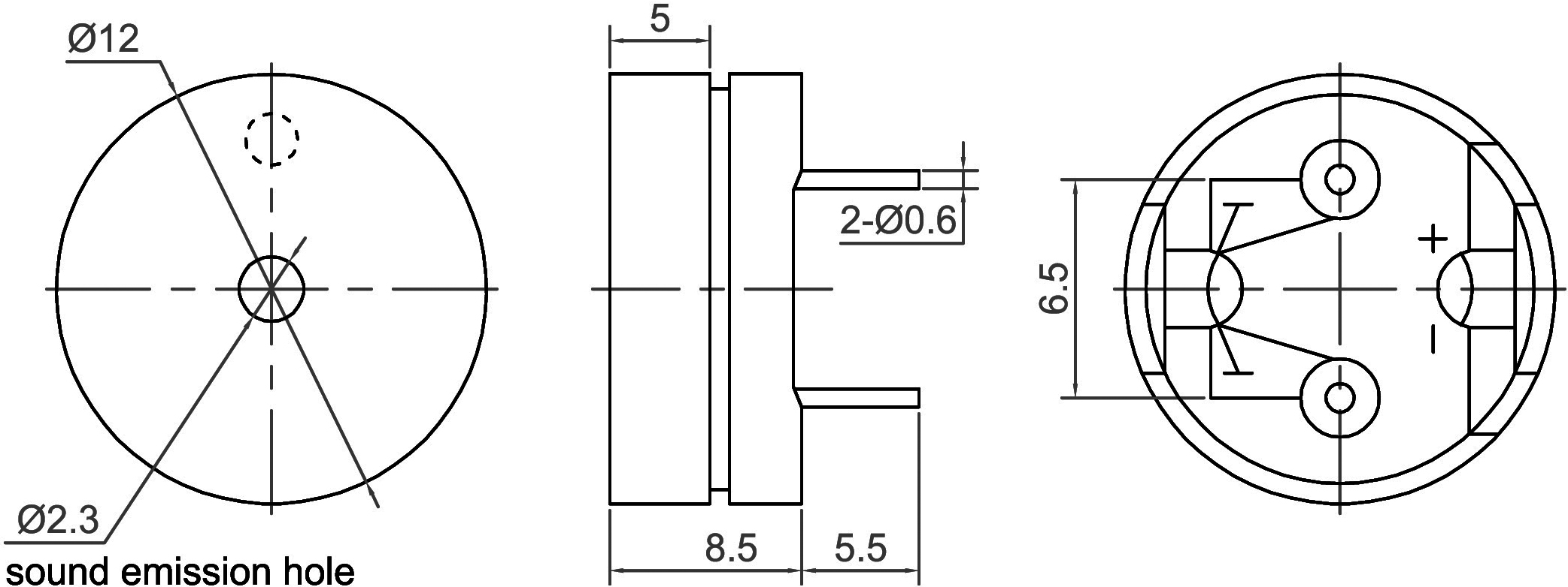
Magnetic Transducer (AC)



| Part No. | Diameter Φ (mm) | Height (mm) | Operating Voltage (VAC) | Rated Voltage (VAC) | Max Rated Current (mA) | Coil Resistance (Ω) | Min Sound Output (dBA) | Resonant Frequency (Hz) | Operating Tempature (°C) | Terminal | Housing | Weight (g) |
|---|---|---|---|---|---|---|---|---|---|---|---|---|
| CMT1208A2048NP-16R | 12 | 8.5 | 1 ~ 5 | 1.5 | 30 | 16 ± 4.5 | 85 @ 10cm | 2048 | -20 ~ +60 | Pin | Noryl | 2 |
Please contact us for the datasheet of this product.







