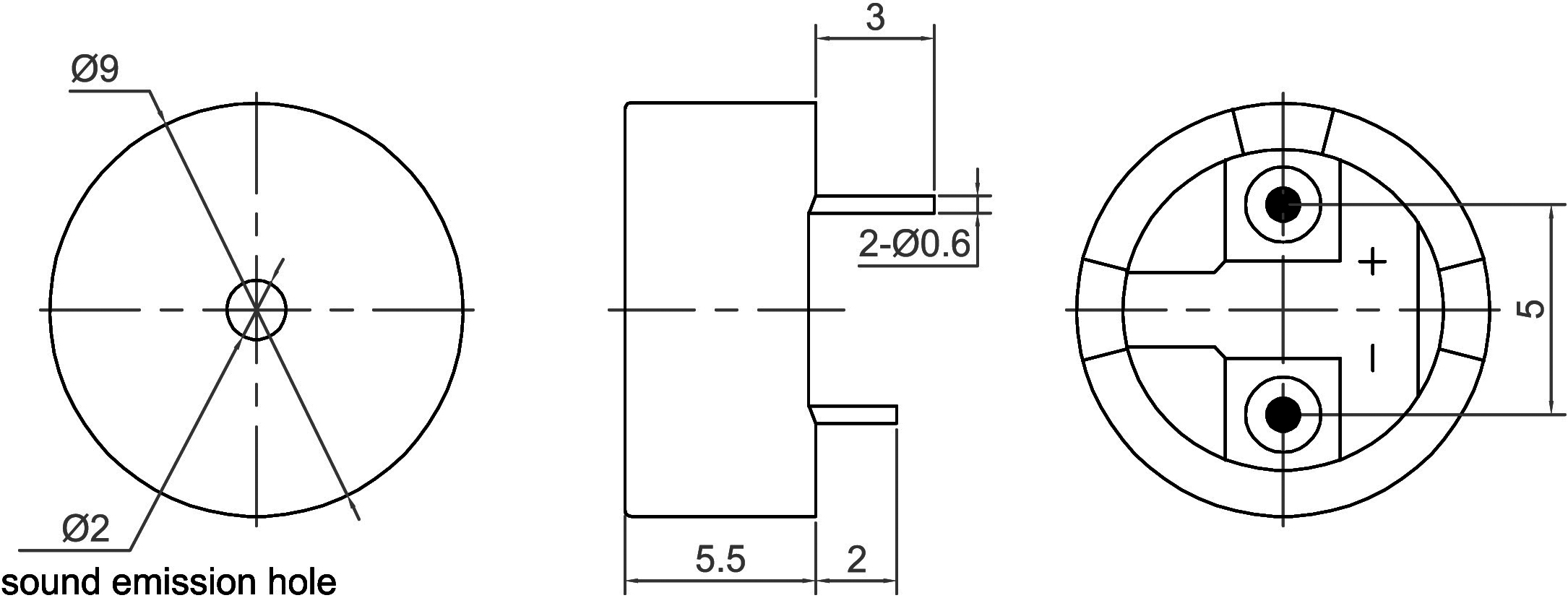
Magnetic Transducer (AC)



| Part No. | Diameter Φ (mm) | Height (mm) | Operating Voltage (VAC) | Rated Voltage (VAC) | Max Rated Current (mA) | Coil Resistance (Ω) | Min Sound Output (dBA) | Resonant Frequency (Hz) | Operating Tempature (°C) | Terminal | Housing | Weight (g) |
|---|---|---|---|---|---|---|---|---|---|---|---|---|
| CMT0905E2731NP | 9 | 5.5 | 4 ~ 8 | 5 | 100 | 40 ± 7.5 | 85 @ 10cm | 2731 | -20 ~ +60 | Pin | Noryl | 1 |
Please contact us for the datasheet of this product.







